
店舗を出店するために改装工事行うとき、消防法令で定められている基準通りに施工する必要があります。また消防設備に関しても法令基準通りに施工し工事完了後4日以内に管轄の消防署へ届出を行います。
届出後はテナントの形態により消防検査を受けなければなりません。
東京の場合不特定多数が入居するような用途(劇場、カラオケ、飲食、物販等)は検査を行うことが多く、事務所、美容室、リラクゼーション、パーソナルジム等、使用する人がある程度固定されていたり、そもそもが軽微な工事の場合は検査を省略する傾向にあります。ここ最近では工事の内容と用途によって検査の有無が決まるようです。
検査があるかないかにかかわらず、法令で決まっているので届出は必須となります。
消防法 第十七条の三の二
消防法第17条の3の2
第十七条第一項の防火対象物のうち特定防火対象物その他の政令で定めるものの関係者は、同項の政令若しくはこれに基づく命令若しくは同条第二項の規定に基づく条例で定める技術上の基準(第十七条の二の五第一項前段又は前条第一項前段に規定する場合には、それぞれ第十七条の二の五第一項後段又は前条第一項後段の規定により適用されることとなる技術上の基準とする。以下「設備等技術基準」という。)又は設備等設置維持計画に従つて設置しなければならない消防用設備等又は特殊消防用設備等(政令で定めるものを除く。)を設置したときは、総務省令で定めるところにより、その旨を消防長又は消防署長に届け出て、検査を受けなければならない。
内装工事に必要な届出・申請
内装工事に必要な届け出を簡単にご紹介します。自分は東京をメインに業務を行っているため東京を例に取って説明いたします。
必要になる消防署への届出
建築関連の届出
- 工事計画届 (東京は必要、その他の場所は要確認)
- 防火対象物使用開始届
まず内装工事に着手する7日前までに工事計画届を消防署へ届出ます。この届出の趣旨は間違った工事をして後に手直しが無いようにあらかじめ事前確認をするというものです。工事をする施主や施工会社が後に不利にならならないような制度で損失を防ぐ目的なのでしっかりやっておけばやり直しもなくなります。
工事計画届出は上記リストの2番目に書いた「防火対象物使用開始届」と内容が被り、添付する補足資料が同じものになります。工事計画届を出すタイミングで使用開始届の表紙も一緒に届け出れば1回で手続きが完了します。東京の場合使用開始届を届け出れば消防検査の日時を予約することができます。工期が決まっていて、オープン前に検査を受けるには早めに工事計画届と使用開始届を届け出る必要があります。
工事計画届と使用開始届は内装工事(建築関係)に関する届け出になります。どの素材、どれくらいの厚み、不燃材料orそれ以外 というような内容で設計会社や施工会社が作成することが多いことでしょう。
消防設備関連の届出
- 消防設備着工届 (消防設備を施工する場合)
- 消防設備設置届 (消防設備施工完了後)
建物には消防設備が設置されます。設備は建物の用途、面積、収容人数の関係でどのような設備が設置されるかが決まります。
例えば延べ面積500㎡に入居する場合、自動火災報知設備、誘導灯、消火器、避難器具あたりが設置義務になります。これらの届出は消防設備業者が作成届出を行っているのでしっかりとした業者を手配し工事してもらえれば問題になることはないことでしょう。
消防設備の工事は消防設備士試験に合格した国家資格者である必要があります。消防設備ごとに資格の種別が別れており設備士自身の名前を記入して届出を出すことになります。なので、届出がある工事はいい加減に行われるとうというケースは非常に少ないので施工に対しては問題がないという証明になります。
必要なことは早めに設備業者に依頼して届出をしっかりと行ってもらうことが重要になります。
防火管理関係
- 防火管理者、選任届(収容人数により有無が変わる) ※大規模の場合は防災管理者選任届
- 消防計画(防火管理者を選任した場合)
ある一定の大きさの防火対象物に入居する場合は防火管理関係の届出も必要になります。例えば飲食店が入る建物の場合、建物全体の収容人数が30人以上になると防火管理者が各々の店舗に必要になります。防火管理者は防火管理者講習を受講すれば取得することができ、取得後は消防署に「防火管理者選任届」を届け出ることで防火管理者になることができます。
また、防火管理者は選任と同時に「消防計画」の届出が必要になります。消防計画は占有している権原について、火災や地震時にどのように対応するるかなどをあらかじめ計画した書面(電子データでも可能)になります。消防計画については内容が細かいので別の記事に記載いたします。
届出を行わずに営業をしたらどうなるか?
中には届出や検査をせずにオープンさせる方もいらっしゃると思います。バレたら後でやろうとか安易な考えでは後々大きな代償が待ち受けているかもしれません。
テナントビルは消防法により消防設備点検が年2回義務付けられています。一定の建物以上の建物の場合は年1回防火対象物点検が義務付けられています。
これらの点検は建物の消防設備が適切に設置されているか、しっかり維持管理できているかを確認するためのもので、もしテナント工事で消防法令違反などの項目を無視して内装工事をしている場合は、不良項目として指摘されることになります。
当然その指摘については是正を行う必要があるので、最終的には改修工事を行わなければならなくなります。自火報、誘導灯などの電気工事はまだ比較的増設工事を行うことができますが、避難器具などの開口部の大きさが絡んでくる設備では開口部ごと改造する必要がでてきたりするので非常に困難な作業となります。
弊社にもこの手の後付け工事に関する問い合わせをいただくことがあります。できないこともなうのですが仕上がりは新装開店時の工事のほうが間違いなくきれいに仕上がります。はじめから消防設備を計画ししっかりと届出、検査を受けたうえでオープンすることが重要です。
防火対象物使用開始届と消防設備設置設置届

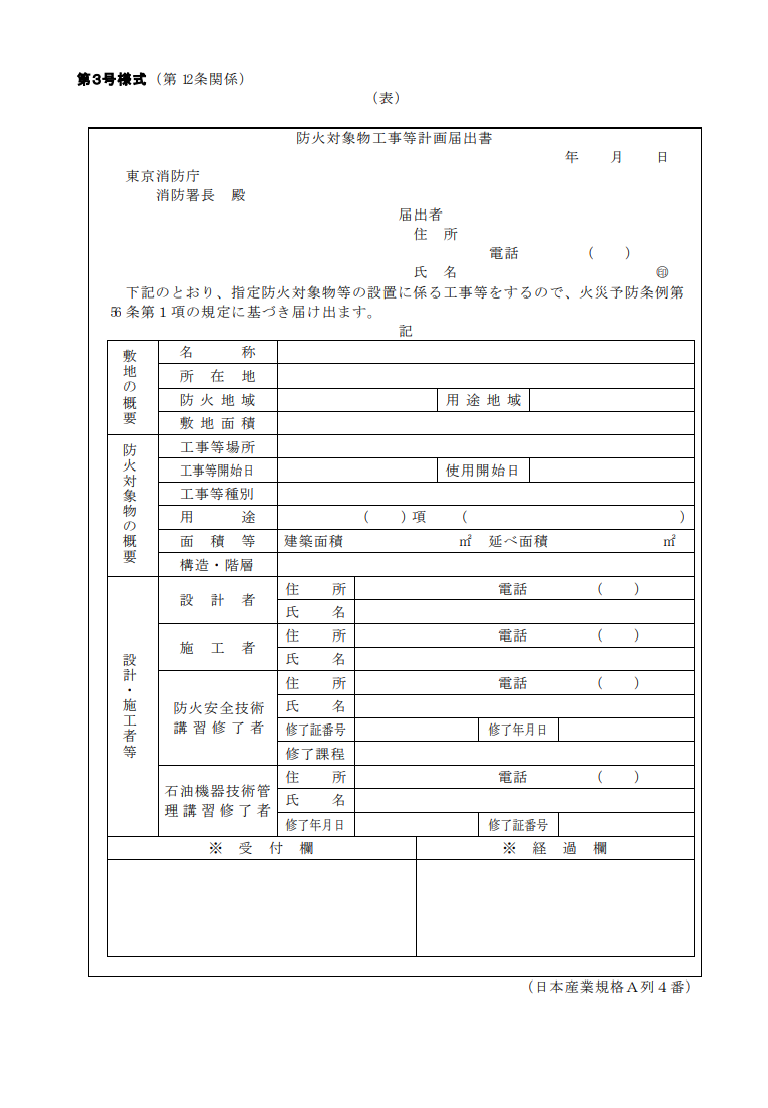
防火対象物使用開始届と工事計画届
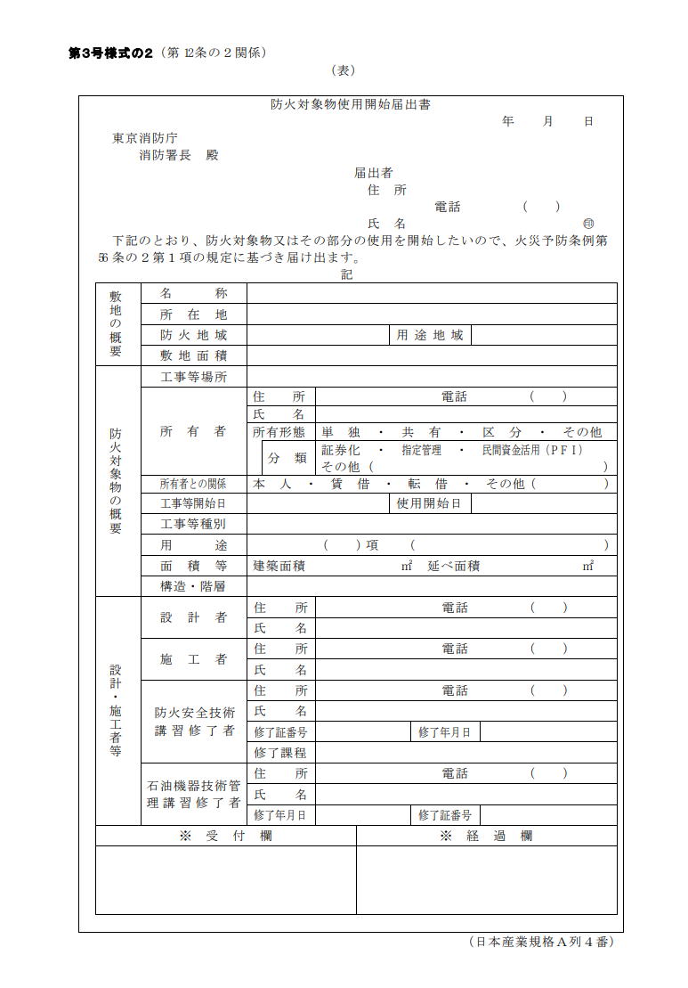
防火対象物使用開始届
新規に店舗などのテナント入居をする際必要になる届出が防火対象物使用開始届【ぼうかたいしょうぶつしようかいしとどけ】です。この物件はどこの誰々さんんがどのような形態で使用するか、内装工事(主に建築)法令通り設計施工されているかを確認するためのものです。届出には別紙で内装仕上表を作成する必要があります。天井、壁、床の素材、厚み、仕上げ材料の詳細などを記載します。また、告示による排煙を免除する場合は不燃材料による仕上げが必要になるので、内装仕上げ表に不燃認定番号や石膏ボードの厚みなどを記載します。
建築材料がしっかりと法令に適合させ使用する人々が安心してテナントを利用できるよう工事することが求められます。
使用開始届は通常、内装材料や素材を明確にし図面を添付して申請します。例を下に記載します。
- 使用開始届表紙【消防庁指定様式】
- 防火対象物概要表
- 内装仕上げ表、建具表
- 平面図、天伏図、展開図、立面図、展開図
- ダクト図、電気図、その他図
- 火気を使う設備の承認図
- 火気設備の配置図
- 火気設備の熱量計算
- 火を使用する設備等の設置届(東京:入力熱量合計120Kw以上)
- 現場地図
事務所用途の場合は火気設備関連はないので不要です。用途により提出書類が異なります。無窓計算、排煙計算、風量計算を提出してくださいと言われることもあります。詳細は管轄消防署へ確認する必要があります。
防火対象物工事計画届
使用開始届とまったく同じ内容になりますが、東京消防庁をはじめ特定の消防本部では名称は違えど工事する前に『防火対象物工事計画届』という書類が必要になります。この書類は工事7日前までに提出することが必要になります。管轄消防署と事前に打ち合わせることで工事後のミス、やり直しを防ぎます。※電子申請可能
消防設備着工届・設置届
消防設備着工届
消防設備着工届は消防設備を設置する10日前までに管轄消防署へ提出します。この着工届出は、『消防設備を法令通り設計し設置しますので法令通りかご確認くださいとい』というものです。設計内容を消防署に審査してもらい問題がなければそのまま着工します。書類の内容は下記のものを添付します。
- 表紙
- 概要表
- 使用する機器の承認図
- 消防設備の設計図『平面、天伏図』
- 系統図
- 現場地図
テナント工事で使用開始届が同時に提出されているような場合は現場地図を省略できたりします。設備単体の改修工事などでは必要になります。
また、着工届では軽微な工事内容であれば省略できる場合があります。例えば自火報の感知器の場合は10個以下、スプリンクラーヘッド場合は5個以下といった詳細が設けられています。別の記事に書いていますのでご確認いただけますと幸いです。
設置届
設置届では設備設置後4日以内に提出することになっています。届出の内容は着工届の内容を試験したデータを提出します。
- 表紙
- 試験結果報告書
- 図面【変更がある場合】
先に提出した着工届と実際の工事内容に変更があった場合は設置届で変更図面を提出します。後日実施される、消防署の立会検査時に提出した書類と、実際の設置内容、試験結果に違いがないか試験、確認していきます。問題がなければ検査済証が発行されます。また、軽微な工事内容で消防立会検査が省略されることがありますが、その場合は設置した設備の写真の提出が必要になります。管轄消防署によって提出方法や内容が異なるため確認を要します。
届出義務者
届出の届出義務者は施主になります。工事を発注してそのテナントを占有する管理権原者としての届出になるためです。例外として消防設備の着工届と消防計画はそれぞれ担当する人の名前で届出を行います。
実際のところ施主が届出書を作成して消防署への届出を行うことは珍しい思います。内容が専門的すぎるので作成方法がわからないという方は弊社を始めとした専門の行政書士に依頼すればよいかと思います。
あとがき
私は消防関連の仕事を行っているためなんとなくそのテナントの危険度がわかります。本来あるはずの防火扉が撤去してあったり、何故か出入り口のメイン扉に防火シャッターが設置してあり閉まったら脱出できないなど、本当にいろいろな物件があります。このような物件は特定一階段等防火対象物の建物で多く見られるので本当に怖くなります。
このようなことになる理由の一つとして、今回記事にした届出や検査を受けていないからです。このようなテナントが退去し居抜きで入り部分的に改造をする。木で中二階を作ったり、開口部を埋めてしまったり。このようなことが繰り返されると大変危険な状況が出来上がってしまいます。
消防査察が入り改善命令が出されたとしても業者の都合など様々な要因がありすぐに対応できるわけではありません。内装業者に依頼するまたは、DIYで自作するにしても必ず管轄消防署へ相談に行き、必要な届出と検査を受けることが非常に重要です。作った店舗が火災になり人命に何かがあったこと想像してみてください。間違いなく後悔することでしょう。
届出、検査、法令の維持管理を徹底すれば人命に関するリスクを大幅に下げることができます。